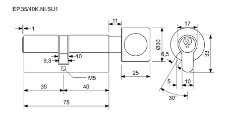
Stavebná gombíková obojstranná 5-stavítková vložka RICHTET EURO Plus na SU - EP.35/40K.NI.SU1
Stavebná gombíková obojstranná 5-stavítková vložka RICHTET EURO Plus na SU - EP.35/40K.NI.SU1
                        Kat. číslo:
                        0613-37500
                    
                Popis
Stavebná gombíková obojstranná 5stavítková vložka EURO Plus na SU
- Certifikované podľa EN 1303-2015
- Materiál vložky a kľúčov: mosadz
- Povrchová úprava: matný nikel (NI)
- spoločný uzáver - SU
- Voľne kopírovateľný kľúč
- Balenie obsahuje: 3 ks kľúčov, 2 ks skrutiek 50 60 mm
- Štandardne sú vložky balené v krabičke. Možno tiež objednať v transparentnom blistri á 7,-Kč/ks
Parametre
| Kovanie typ 2 | Dverné | 
|---|---|
| Značka | RICHTER | 
| Povrchová úprava - variant | Richter nikel matný | 
| Záruka | 2 roky | 

















































 
                    